4080这个规格有很多,但是4080黑色欧标流水线铝型材就不多见了,春水堂官方网站APP今天要来认识的就是这么一个黑色铝型材4080,现在先来一起来了解一下它的参数:
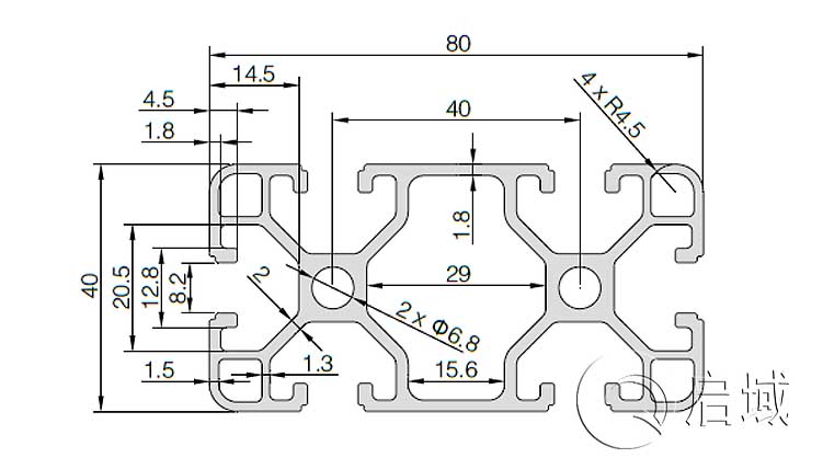
铝型材 QY-8-4080A黑色
材料:铝合金Material Aluminum(6063-T5)
单位质量Weight:2.55kg/m
长度Length:6.01m
集合惯性 Mass of lnertia:lx:61.31 cm4 ly:17.70 cm4
截面惯性 Section modulus:Zx:14.5 cm3 Zy:7.25 cm3
用途:广泛应用于大应力、高强度的框架、结构,以及汽车、工厂自动化、工业模块结构等特殊领域。是工业框架应用广泛的型材之一。配套螺栓螺母:它通常采用40系列M8专用T型螺栓与M8法兰螺母内部连接,或用40系列T型螺母与内六角螺栓配套使用,如受力强度大可采用40系列滑块螺母与内六角螺栓配套使用,坚固可靠结实。
以上就是4080黑色欧标流水线铝型材的全部介绍,有需要的朋友可以联系春水堂视频黄APP金属:021-67658689,春水堂视频黄APP金属厂家直销4080黑色欧标流水线铝型材,可定制黑色铝型材,春水堂官方网站APP下期再见!
《该文章来源于上海春水堂视频黄APP金属有限公司原创 网址:http://www.chuangkecard.com/转载请注明》




沪公网安备31011702001213号
扫一扫,关注手机站