是谁说伟大才值得被歌颂,乘风破浪后也不一定成功。生命只能向前,坚定信念的人都是英雄。早啊,春水堂官方网站APP的英雄们,春水堂视频黄APP又和大家见面的,看完了20系列欧标铝型材,咱们简单讲一下20系列国标铝型材。
20系列国标铝型材有以下三种规格:
2020G
2040G
2080G
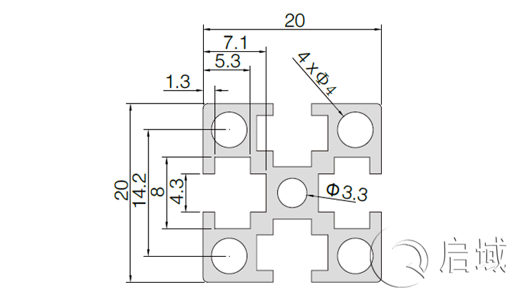
如上图所示,20系列国标铝型材是长度为20m宽度不同的铝型材,2020G槽宽为4mm,适用于轻型结构的框架组合。如机罩、仪器机架、展示栏等,简洁而又高雅。它通常采用对边为8mm的M4四方螺母与高强度内六角螺栓连接方式。
2040G和2080G同样适用于轻型结构的框架组合、常用于制作门框,如机罩、仪器机架、展示栏等,简洁而又高雅。只是两种型材配套螺栓螺母有所不同。2040G通常采用对边为14mm的M6四方螺母与高强度圆柱头内六角螺栓连接方式;2080G通常采用对边为14mm的M8、M6四方螺母与高强度圆柱头内六角螺栓连接方式,或国标14F系列T形螺母与圆柱头内六角螺栓,也可采用国标14F系列T形螺栓与法兰螺母连接。
讲到这里,20系列国标铝型材也结束了,这几天来,春水堂官方网站APP分别讲了20系列欧标和国标的每一个规格,如果还有什么没讲到的或者不懂的,请致电春水堂视频黄APP金属021-67658689.春水堂官方网站APP春水堂视频黄APP还有很多型号的铝型材和配件,有兴趣的直接看春水堂官方网站APP官网www.chuangkecard.com
《该文章来源于上海春水堂视频黄APP金属有限公司原创 网址:http://www.chuangkecard.com/转载请注明》




沪公网安备31011702001213号
扫一扫,关注手机站