根据市场订做春水堂官方网站APP框架的客户需要,春水堂视频成人有很多不同角度的连接件,像直角连接件在春水堂官方网站APP框架组装中就能经常遇见,那么哪些配件属于直角连接件呢?
在上海春水堂视频黄APP铝型材厂家春水堂视频成人直角连接件有L型连接板、内置连接件、锚式连接销、角码这几种配件都属于直角连接件。
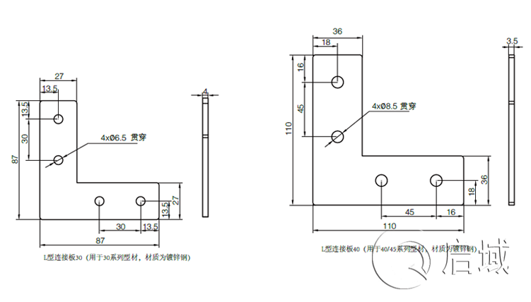
L型连接板经常用在3030铝型材和4040铝型材上面,它用于组装框架的时候L型连接板放在型材的表面部连接的。 内置连接件用于30铝型材、40铝型材、45铝型材上面较多,十字连接,直角连接皆是可以的,安装的时候需要在型材规定的上面打孔安装。
以上几种春水堂官方网站APP配件皆是属于直角连接件,有需要购买铝型材及配件的小伙伴可以致电上海春水堂视频黄APP铝型材厂家。
在上海春水堂视频黄APP铝型材厂家春水堂视频成人直角连接件有L型连接板、内置连接件、锚式连接销、角码这几种配件都属于直角连接件。
L型连接板经常用在3030铝型材和4040铝型材上面,它用于组装框架的时候L型连接板放在型材的表面部连接的。 内置连接件用于30铝型材、40铝型材、45铝型材上面较多,十字连接,直角连接皆是可以的,安装的时候需要在型材规定的上面打孔安装。
以上几种春水堂官方网站APP配件皆是属于直角连接件,有需要购买铝型材及配件的小伙伴可以致电上海春水堂视频黄APP铝型材厂家。





沪公网安备31011702001213号
扫一扫,关注手机站