黑色铝型材并不是非常常见,但是也不是没有,春水堂视频黄APP金属有好几款黑色铝型材,之前讲过3030黑色铝型材,今天春水堂官方网站APP就来说一说这3060黑色铝型材。
铝型材 QY-8-3060黑色
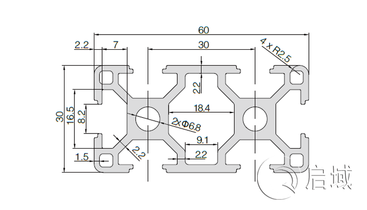
材料:铝合金Material Aluminum(6063-T5)
单位质量Weight:1.83kg/m
长度Length:6.01m
集合惯性 Mass of lnertia:lx:19.80 cm4 ly:5.15 cm4
截面惯性 Section modulus:Zx:6.60 cm3 Zy:3.30 cm3
用途:广泛应用于大应力、高强度、支撑要求高的重载结构的框架组合,以及汽车、工厂自动化、工业模块结构等特殊领域,是工业框架应用广泛的型材之一。它通常采用30系列M6T型螺栓与M6法兰螺母或M6、M5、M4专用T型螺母与内六角螺栓内部连接,如受力强度大可采用30系列滑块螺母与内六角螺栓配套使用,坚固可靠结实。
3060黑色铝型材与3060铝型材没有什么不同,就是颜色不一样而已,其他都是一样用的,春水堂视频黄APP金属厂家直销3060黑色铝型材,也可以定制其他规格的黑色铝型材, 有需要可以致电咨询:021-67658689,春水堂官方网站APP下期见!
《该文章来源于上海春水堂视频黄APP金属有限公司原创 网址:http://www.chuangkecard.com/转载请注明》




沪公网安备31011702001213号
扫一扫,关注手机站