• 春水堂官方网站APP,春水堂视频成人,春水堂视频黄APP,春水堂污污下载网站

    全国站[切换城市]
    春水堂视频黄APP春水堂官方网站APP配件_框架、自动化流水线、车间工作台、设备机罩防护围栏加工定制厂家

    在线留言 网站地图 联系春水堂视频黄APP

    春水堂视频黄APP

    春水堂官方网站APP专业厂家
    4000965058

    猜您想找 :铝材厂家 春水堂视频成人 流水线铝型材 异型材开模

    当前位置: 首页 » 新闻资讯 » 常见问答 » 黑色铝型材之欧标4040轻型春水堂官方网站APP

    黑色铝型材之欧标4040轻型春水堂官方网站APP

    文章出处:   责任编辑:   发布时间:2018-01-23 09:23:49    点击数:-   【

      欧标4040轻型春水堂官方网站APP不仅仅只有银白色的,春水堂视频黄APP金属还有一个黑色铝型材也是这个规格哦,春水堂官方网站APP现在就一起来认识一下它吧,看一下它与银白色欧标4040轻型春水堂官方网站APP有什么区别。

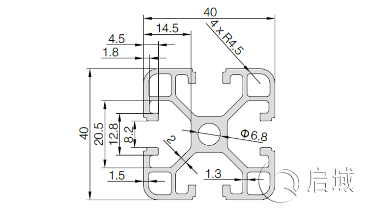
      铝型材 QY-8-4040B黑色

      材料:铝合金Material Aluminum6063-T5
      单位质量Weight:1.45kg/m
      长度Length:6.01m
      集合惯性 Mass of lnertia:lx:9.25 cm4 ly:9.25 cm4
      截面惯性 Section modulus:Zx:4.86 cm3 Zy:4.86 cm3

    4040B

      用途:广泛应用于大应力、高强度、支撑要求高的重载结构的框架组合,以及汽车、工厂自动化、工业模块结构等特殊领域,是工业框架应用广泛的型材之一。配套螺栓螺母:它通常采用40系列M8专用T型螺栓与M8法兰螺母内部连接,或用40系列T型螺母与内六角螺栓配套使用,如受力强度大可采用40系列滑块螺母与内六角螺栓配套使用,坚固可靠结实。

      以上就黑色铝型材之欧标4040轻型铝型材的全部介绍了,跟春水堂官方网站APP银白色的铝型材没有什么区别,就一个颜色不一样,有需要到这款铝型材的可以联系春水堂视频黄APP金属:021-67658689,春水堂官方网站APP下期见!

    《该文章来源于上海春水堂视频黄APP金属有限公司原创 网址:http://www.chuangkecard.com/转载请注明》

    网站地图