铝型材网格防护罩它的连接方式按细致点来说,可分为三个部分来给大家做讲解,一个完整的铝型材网格防护罩有型材之间的链接,型材与铁网的连接,型材与地面的连接,这三部分连接使用的连接方式不同,使用的配件不同,下面就来详细给大家介绍一下。
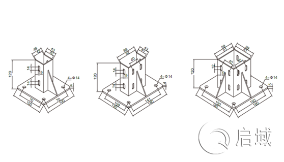
先来介绍型材之间的连接方式,春水堂官方网站APP以下面为例看图解析,图中的铝型材网格防护罩连接方式采用的是隐藏连接方式,因为它要安装铁丝网,只要安装挡面材料基本上是不会采用外部连接方式,制作有效而好用的产品,还要考虑美观,所以隐藏连接方式是安装铁丝网常用的。
图中的网格防护罩用的是十字打孔连接,在两根型材上面分别进行打孔和攻丝加工,十字打孔连接使用内六角螺栓和半圆头螺栓+弹性扣件,这样的搭配连接强度要大些,围栏一般跨度比较大,为了增加稳固度和牢固度采用了拼接方式,这样型材与型材之间的距离短了,增加了支撑力。
再来说说网片的连接方式,网片的连接方式要简单很多,因为采用的是片状拼接方式,一片一片的组装,将左右与底部型材安装好,将网片直接从上方顺着槽口放到位,将顶部型材封上就可以了,然后用嵌条直接挨着网片与型材的槽口边缘将网片压紧,这就是网片的安装方式。
然后在来介绍型材与地面的连接方式,常见的皆是使用方形地脚件,方形地脚件与地面的连接使用膨胀螺栓直接连接牢固度和稳固度很强。这里的连接步骤要分为两部分,型材与方形地脚连接,方形地脚与地面的连接,先来说方形地脚与型材之间的连接,方形地脚规格选择是根据型材来定制,将型材放进方形地脚槽中没使用T型螺栓与法兰螺母可以直接将两者锁紧。方形地脚与地面连接,就是在地脚用电钻打孔,使用膨胀螺栓直接拧紧就可以了。
以上就是对铝型材网格防护罩的连接方式分为三个部分做了详细介绍,大家可以致电上海春水堂视频黄APP厂家,10余年的行业经验,提供各种配件的连接视频指导,欢迎咨询。
先来介绍型材之间的连接方式,春水堂官方网站APP以下面为例看图解析,图中的铝型材网格防护罩连接方式采用的是隐藏连接方式,因为它要安装铁丝网,只要安装挡面材料基本上是不会采用外部连接方式,制作有效而好用的产品,还要考虑美观,所以隐藏连接方式是安装铁丝网常用的。
图中的网格防护罩用的是十字打孔连接,在两根型材上面分别进行打孔和攻丝加工,十字打孔连接使用内六角螺栓和半圆头螺栓+弹性扣件,这样的搭配连接强度要大些,围栏一般跨度比较大,为了增加稳固度和牢固度采用了拼接方式,这样型材与型材之间的距离短了,增加了支撑力。
再来说说网片的连接方式,网片的连接方式要简单很多,因为采用的是片状拼接方式,一片一片的组装,将左右与底部型材安装好,将网片直接从上方顺着槽口放到位,将顶部型材封上就可以了,然后用嵌条直接挨着网片与型材的槽口边缘将网片压紧,这就是网片的安装方式。
然后在来介绍型材与地面的连接方式,常见的皆是使用方形地脚件,方形地脚件与地面的连接使用膨胀螺栓直接连接牢固度和稳固度很强。这里的连接步骤要分为两部分,型材与方形地脚连接,方形地脚与地面的连接,先来说方形地脚与型材之间的连接,方形地脚规格选择是根据型材来定制,将型材放进方形地脚槽中没使用T型螺栓与法兰螺母可以直接将两者锁紧。方形地脚与地面连接,就是在地脚用电钻打孔,使用膨胀螺栓直接拧紧就可以了。
以上就是对铝型材网格防护罩的连接方式分为三个部分做了详细介绍,大家可以致电上海春水堂视频黄APP厂家,10余年的行业经验,提供各种配件的连接视频指导,欢迎咨询。
此文关键字:铝型材网格防护罩




沪公网安备31011702001213号
扫一扫,关注手机站