铝型材设备机柜作为电子设备的载体,被广泛使用,为了里面的线路设备不被外界灰尘,沙粒落在运行线路设备上,上面会安装柜门,柜门的用途不但有防尘防沙作用,还有提高现场视觉美观作用,一般安装铝型材设备机柜门使用型材大家知道吗?不知道没有关系,大家来看一下文。
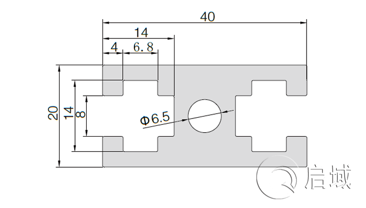
在之前的介绍中一直说型材是四面带槽,方便使用配件安装,但是铝型材设备机柜门使用的型材可根之前说的大不一样,它是两面带槽,以上海春水堂视频黄APP多年安装经验来说,常用的就两种规格,图二国标1530型材,图三国标2040型材。
为什么要说这两种规格呢?大家在来看看图四,就是将图二和图三者两款型材切成45度角,用直角连接件进行固定,与板材的拼合就会呈现图一门的效果。
可能还有小伙伴会说除了这两款型材其它的型材规格就不能做门框了吗?答案是可以的,只是成品效果不是很好看,这两款是专用在门框上的,想要来做框架,在承重上它是达不到要求的。
铝型材设备机柜门框可使用什么型材文中已经很详细给大家介绍了,如果您需要定制框架上海春水堂视频黄APP有专业技术团队,根据每位客户的使用要求会给出科学合理的解决方案。
该文章来自上海春水堂视频黄APP金属制品有限公司,禁止转载!原创文章已全网维权,侵权必究!
在之前的介绍中一直说型材是四面带槽,方便使用配件安装,但是铝型材设备机柜门使用的型材可根之前说的大不一样,它是两面带槽,以上海春水堂视频黄APP多年安装经验来说,常用的就两种规格,图二国标1530型材,图三国标2040型材。
为什么要说这两种规格呢?大家在来看看图四,就是将图二和图三者两款型材切成45度角,用直角连接件进行固定,与板材的拼合就会呈现图一门的效果。
可能还有小伙伴会说除了这两款型材其它的型材规格就不能做门框了吗?答案是可以的,只是成品效果不是很好看,这两款是专用在门框上的,想要来做框架,在承重上它是达不到要求的。
铝型材设备机柜门框可使用什么型材文中已经很详细给大家介绍了,如果您需要定制框架上海春水堂视频黄APP有专业技术团队,根据每位客户的使用要求会给出科学合理的解决方案。
该文章来自上海春水堂视频黄APP金属制品有限公司,禁止转载!原创文章已全网维权,侵权必究!
下一篇:组装一台铝型材设备机柜价格上一篇:铝型材设备机柜常用的规格
此文关键字:铝型材设备机柜




沪公网安备31011702001213号
扫一扫,关注手机站